Protetor de motor de baixa tensão
Você está aqui: Casa » Produtos » Monitoramento e proteção de energia » Protetor de motor inteligente » Protetor de motor de baixa tensão

Protetor de motor de baixa tensão

● Tempo limite de partida, sobrecarga, estol, bloqueio, subcarga, falha de fase, desequilíbrio, corrente residual (terra / fuga), temperatura, falha externa, sequência de fase, sobretensão, subtensão, subpotência, sobretensão, tempo tE Função de proteção abrangente do motor
● Entrada passiva de nó seco DI de 2 canais, fonte de alimentação de sinal com fonte de alimentação DC24V integrada;
● 4 canais de saída DO
● Saída analógica DC4-20mA
Status de disponibilidade:
facebook sharing button
twitter sharing button
line sharing button
wechat sharing button
linkedin sharing button
pinterest sharing button
sharethis sharing button
  • ARD2L

  • ACREL

Descrição do produto

Visão geral


Marca: Acrel Local de origem: China Display : LCD


O protetor de motor inteligente ARD2 pode proteger o motor durante o funcionamento e fornecer o registrador de eventos de falha SOE. É equipado com interface de comunicação remota RS485 e saída analógica DC4-20mA, que é conveniente para formar um sistema de rede junto com máquinas de controle como PLC e PC.


Descrição do produto


HG9A9431

ARD2L Smart Motor Protector

Comunicação

RS485 (Modbus-RTU)


Exibição

Display LCD para U, I, P, Q etc


Classificado como U e I

AC380 / 660V, corrente nominal de até 800A


Fonte de alimentação auxiliar

AC85V ~ 265V / DC100V ~ 350V



HG9A9735

Precisão

U, I: Classe 1.5


Frequência

Faixa: 45-65 Hz


Gravador de eventos SOE

Registre 8 mensagens de falha


Instalação:

1. Corpo principal: DIN 35mm

2. Unidade de exibição: montada em painel


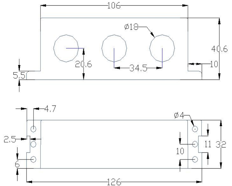
Dimensão (L * W * H):

96 mm * 78,5 mm * 48 mm




Parâmetro


Dimensão

dimensão互感器 dimensão


Ao instalar o medidor, afrouxe o parafuso de travamento do suporte de fixação, remova o suporte de fixação, insira o instrumento no orifício de montagem, instale o suporte de fixação e aperte o parafuso para que o instrumento seja firmemente instalado sem afrouxar. instalação.

Parâmetro

Parâmetro Especificação técnica
Fonte de alimentação auxiliar AC85-265V / DC100-300V, consumo de energia≤7VA
Tensão nominal AC380V / 660V , 50Hz / 60Hz
Corrente nominal 1A (0,1-999,9A) Transformador de corrente específico
5A (0,1-999,9A)
1,6A (0,4-1,6A)
6,3A (1,6-6,3A)
25A (6,3-25A)
100A (25-100A)
250A (63-250A)
800A (250-800A)

Contator de saída de relé

Capacidade negativa nominal

4 canais , AC250V , 3A
Mudando de entrada 2 canais, isolamento opto-acoplador
Comunicação Padrão RS485 (Modbus-RTU)
Opção (escolha uma)

1 ou 2 canais Profibus DPV1

1 canal Profinet

Ethernet (Modbus TCP)

Ambiente Temperatura de operação -10 ℃ ~ + 55 ℃
Temperatura de armazenamento -20 ℃ ~ + 65 ℃
Humidade relativa ≤95% (Sem condensação)
Altitude ≤2000m
Classe de poluição Nível 2
Nível de proteção Módulo principal IP20
Categoria de instalação Classe III


em um: 
sob um: 

Categoria de Produto

Blogs

conteúdo está vazio!

LINKS RÁPIDOS

CATEGORIAS DE PRODUTOS

CONTATE-NOS

Telefone: + 86-18702109693.
O email: elena@acrel.cn
Skype: elena@acrel.cn
Whatsapp: +8618702109693.
Endereço: No. 253, Yulv Road, Jiading
Zona, Xangai, China
SEND US A MESSAGE
© 2003-2020 Todos os direitos reservados. Desenvolvido por Acrel
Mapa do Site丨 Suporte por sdzhidian