Sistema de fonte de alimentação de isolamento médico
Você está aqui: Casa » Soluções » Soluções » Sistema de fonte de alimentação de isolamento médico

Sistema de fonte de alimentação de isolamento médico

Número Browse:1     Autor:Elena     Publicar Time: 2020-12-10      Origem:alimentado

Inscrição

O dispositivo de monitoramento de isolamento do sistema de TI médico e o sistema de localização de falhas são adequados para salas de cirurgia de hospitais, UTI (CCU) e outros locais importantes, e podem fornecer um local seguro para tais soluções de energia contínuas e confiáveis.


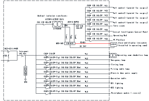
Estrutura

图片 68

Função principal


1. Diagrama de conexão primária e exibição de distribuição de campo

图片 69



图片 70



2. Aquisição e exibição de dados em tempo real

图片 71

3 -Alarme de falha

图片 72

4. Configuração e consulta de parâmetros remotos

图片 73

5. Exibição gráfica

Exibe o status do isolamento, o status da carga e a temperatura do transformador de isolamento de cada conjunto de sistemas de energia isolados em forma de gráfico.



Seleção de Produto

AITR

1. Transformador de isolamento médico da série AITR

·Isolando transformadores para sistemas médicos de TI

·Tratamento de isolamento duplo, camada de proteção eletrostática

·Sensor de temperatura PT100

·Potência nominal: 3,15… 10KVA

·Marca CE





互感器 1

2.AKH-0.66P26

·A corrente máxima mensurável é 60A

·A taxa de mudança de transformação é 2000/1

·Abertura: 26 mm



AIM-M200

3. Monitor de isolamento médico inteligente AIM-M200

·Monitoramento de isolamento para sistemas médicos de TI

·Monitoramento de carga e temperatura do transformador de isolamento

·Monitoramento de desconexão de dispositivo

·Indicadores LED: Ligado, Isolamento, Sobrecarga, Sobreaquecimento

·Saída de relé de alarme

·Botão de teste

·Localização de falha de isolamento

·RS485 (MODBUS-RTU) + CAN (protocolo personalizado)





AID150

5. Alarme AID150 e indicador de exibição

·Monitoramento remoto

·Indicadores LED: Ligado, Isolamento, Sobrecarga, Sobreaquecimento

·Botão mudo

·Botão de teste

·Fonte de alimentação: DC24V

·RS485 , MODBUS-RTU




ACLP

6. Fonte de alimentação CCLP10-24 DC

·Fonte de alimentação para série AID

·Entrada AC 220 V, saída DC 24 V

·Transformador Linear Completamente Isolado

·Indicador de energia



ASG150

7. Gerador de Sinal ASG150

·Gerando Sinal de Localização de Falha

·Detecção de desconexão L1 e L2

·Indicadores LED: On, Comm, L1, L2, Fault

·CAN bus, protocolo personalizado

·Fonte de alimentação: DC24V





AIL150-4-8

8. Localizador de falha de isolamento AIL150-4 / -8

·Localização de falha de isolamento em sistemas AC IT

·AIL150-4: 4 canais de medição

·AIL150-8: 4 canais de medição

·Indicadores LED: On, Comm, L1 ... L8

·CAN bus, protocolo personalizado

·Fonte de alimentação: DC24V






Solução Típica


1. Conjunto de quatro peças

图片 74

2. Conjunto de cinco peças

图片 75

3. Conjunto de sete peças

图片 76

Fotos no site
图片 77



图片 78



LINKS RÁPIDOS

CATEGORIAS DE PRODUTOS

CONTATE-NOS

Telefone: + 86-18702109693.
O email: elena@acrel.cn
Skype: elena@acrel.cn
Whatsapp: +8618702109693.
Endereço: No. 253, Yulv Road, Jiading
Zona, Xangai, China
SEND US A MESSAGE
© 2003-2020 Todos os direitos reservados. Desenvolvido por Acrel
Mapa do Site丨 Suporte por sdzhidian